Products

1000
video
1000

1000 KVA Transformer

Rated Voltage:10/0.4kV
Power Ratings:1000kVA
Frequency:50Hz
Current Rating:57.7/1443.4A
Connection Group:Dyn11
Cooling Method:ONAN
No-load Current:≤0.3%

Features

1000 KVA Transformer Specification

Rated Voltage

10/0.4kV

Power Ratings

1000kVA

Frequency

50Hz

1000 KVA Transformer To Amps

57.7/1443.4A

Connection Group

Dyn11

Cooling Method

ONAN

No-load Current

≤0.3%

No-load Loss

≤1.15kW

1000 KVA Transformer Impedance (75℃)

4.5%

Load Loss(75℃)

≤10.30kW

Total Loss(75℃)

≤11.45kW

Oil BDV Value

≥35kV

Temperature rise

65K

Lighting Impulse Voltage

Full Wave:75kV Chopper Wave:85kV

Noise Level

≤62dB

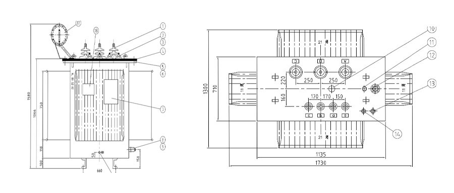
1000 KVA Transformer Dimensions

1730*1300*1580mm

1000 KVA Transformer With Oltc Price

USD7*28.00/SET

 

1000KVA Transformer Drawing

1000 KVA Transformer Drawing

Hot Tags: 1000 kva transformer, China, suppliers, manufacturers, factory, buy, price, for sale, 3150 kva transformer, 200 kva distribution transformer, 10 mva 33 11kv transformer, 250 kva copper transformer, transformer 10kv, 2 mva transformer

You Might Also Like

(0/10)

clearall